คำอธิบาย
มิเตอร์วัดอัตราการไหลของน้ำ แสดงอัตราการไหล ปริมาณการใช้น้ำ LCD Display Meter RS485

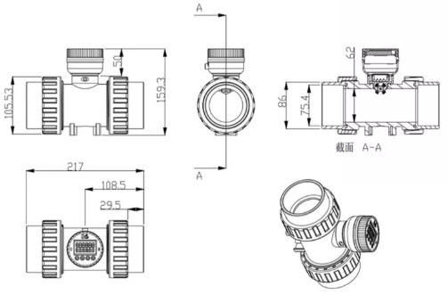
ZJPVC-LCD-DN65D N65 · OD 75 mm G 2-1/2″
ฟังก์ชันหลัก
แสดงผลแบบเรียลไทม์ (Real-time Display)
- อัตราการไหล (Flow Rate)
- อุณหภูมิของของไหล (Temperature)
- ความเร็วของของไหล (Velocity)
ควบคุมการไหล:
- เอาต์พุตควบคุม NPN (NO / NC) รองรับสูงสุด 150mA
- กำหนดจุดควบคุมจากค่าการไหลแบบ Instantaneous Flow หรือ Total Flow ได้
การส่งข้อมูลระยะไกล:
-
-
รองรับ RS485 Modbus RTU สำหรับเชื่อมต่อกับ PLC
-
มิเตอร์วัดอัตราการไหลของน้ำ แสดงอัตราการไหล ปริมาณการใช้น้ำ LCD Display Meter
Flow Specification
- ขนาดท่อ (Pipe Size): DN65 (เส้นผ่านศูนย์กลาง ≈ 75 mm)
- ขนาดนิ้ว: 2.5 นิ้ว
- ช่วงอัตราการไหล (Flow Range): 80 – 1980 L/min
ตารางขนาดท่อ PVC CONNECTION (DN = Nominal Diameter) ZJPVC-LCD Flow Meter PVC รุ่นต่างๆ (พร้อมข้อมูลท่อและการไหล)
Dimension mm

หมายเหตุ
-
- ข้อต่อที่ใช้: เป็นแบบ PVC แบบสวม (Slip) หรือเกลียว (Threaded) แล้วแต่รุ่น
- การเลือกขนาด: ให้เลือกตาม “อัตราการไหลที่ใช้งานจริง” และขนาดท่อที่มีอยู่
- การติดตั้ง: ให้ติดตั้งในแนวนอนจะวัดค่าได้แม่นยำกว่าแนวตั้ง

Technical Specifications
| รายการ | ค่าที่กำหนด |
|---|---|
| Operating Voltage | DC 24V (ช่วง DC10–30V) |
| Max Working Current | 60mA @ DC 30V |
| Accuracy (ความแม่นยำ) | ±5% |
| Max Pressure (แรงดันสูงสุด) | ≤ 2.0 MPa |
| Working Pressure (แรงดันขณะทำงาน) | < 20 Bar |
| Output Units (หน่วยแสดงผล) | L/KL/GA, LPM, KLPM, GPM |
| IP Grade | IP65 (กันฝุ่น กันน้ำระดับปานกลาง) |
| Material | UPVC (พลาสติกกันสารเคมี แข็งแรง น้ำหนักเบา) |
| Working Temp. (อุณหภูมิใช้งาน) | -10℃ ~ +70℃ |
| Instantaneous Flow Setting | 0.00 ~ 999.99 LPM |
| Total Flow Setting | 0 ~ 999999 FTM |
| Alarm Output | NPN (สูงสุด 150mA) |
| Instantaneous Flow Output | LPM Control Output |
| Total Flow Output | FTM Control Output |
ในชุดประกอบด้วย
- เซนเซอร์มิเตอร์วัดการไหลของน้ำ+เซนเซอร์อุณหภูมิ Water Flow Sensors+Temp Sensor Meter
การแสดงผล (Display Function)
1.อัตราการไหล (Flow Rate Display)
- ช่วงการวัด: 0.1 ถึง 9999
- หน่วยที่เลือกได้: LPM = Liters per Minute (ลิตรต่อนาที) GPM = Gallons per Minute (แกลลอนต่อนาที)
2.อุณหภูมิ (Temperature Display)
- ช่วงการวัด: -99℃ ถึง +999℃
- แสดงค่าอุณหภูมิของของเหลวที่ไหลผ่านเซนเซอร์

User Setting

ZJPVC-LCD Key Instruction 4 Keys: SET, F/LEFT, DOWN, UP User Setting
ZJ-LCD ZJPVC-LCD RS485 MODBUS Parameter



รีวิว
ยังไม่มีบทวิจารณ์