คำอธิบาย
เกียร์ทดรุ่นนี้มีให้เลือก 3 ระดับการทด ตั้งแต่อัตราทด 3 ถึง 216 รองรับแรงบิดพิกัดสูงสุด 160 N·m และแรงบิดสูงสุด 180 N·m ตัวเรือนป้องกันระดับ IP65 ใช้งานได้ต่อเนื่องด้วยการหล่อลื่นแบบจาระบี อายุการใช้งานประมาณ 20,000 ชั่วโมง และติดตั้งแบบหน้าแปลน
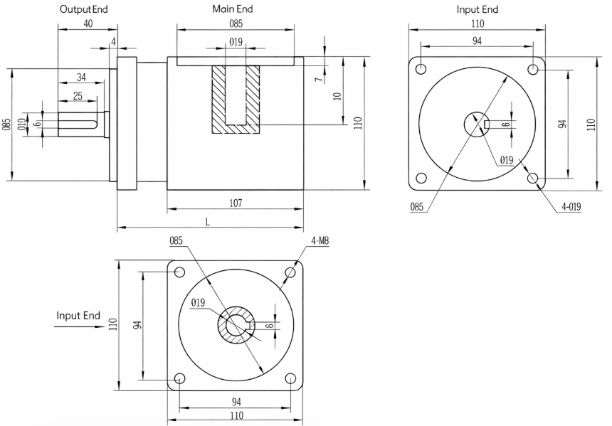
Shaft Suport
- 19mm input motor shaft
- 19mm output gear shaft
Planetary Gear Specification
| รายการ | 1 Stage | 2 Stage | 3 Stage |
|---|---|---|---|
| อัตราทด | 3 / 4 / 5 / 6 | 10 / 12 / 16 / 20 / 24 / 30 / 36 | 64 / 96 / 144 / 216 |
| ความยาวตัวเรือน (mm) | 102 | 127 | 152 |
| แรงบิดพิกัด (N·m) | 70 | 140 | 160 |
| แรงบิดสูงสุด (N·m) | 100 | 170 | 180 |
| ประสิทธิภาพ (%) | 90 | 86 | 80 |
| Backlash | ≤20 | ≤30 | ≤45 |
| ความเร็วรอบขาเข้าพิกัด (RPM) | 3000 | ≤3000 | ≤3000 |
| ระดับการป้องกัน (IP) | IP65 | IP65 | IP65 |
| น้ำหนัก (kg) | 5.2 | 6.5 | 7.8 |
| ระดับเสียง (dB) | ≤60 | ≤65 | ≤65 |
| อายุการใช้งาน (h) | ≈20000 | ≈20000 | ≈20000 |
| การหล่อลื่น | จาระบี / อายุการใช้งานยาวนาน | จาระบี / อายุการใช้งานยาวนาน | จาระบี / อายุการใช้งานยาวนาน |
| วิธีติดตั้ง | หน้าแปลน | หน้าแปลน | หน้าแปลน |
Dimension






รีวิว
ยังไม่มีบทวิจารณ์