คำอธิบาย
สเต็ปเปอร์มอเตอร์ Leadshine Nema17 รุ่น 42CM04 ขนาดตัว 39-40 มม. แรงบิด 0.4Nm
สเต็ปเปอร์มอเตอร์ 2 เฟส ขนาด NEMA 17 จาก Leadshine รุ่น 42CM04 ให้แรงบิดยึด 0.4Nm โครงสร้างแข็งแรง เดินงานแม่นยำ สั่นสะเทือนต่ำ เหมาะสำหรับงานเครื่องจักรขนาดเล็ก งานอัตโนมัติ และระบบขับเคลื่อนที่ต้องการความนิ่งในการควบคุมตำแหน่ง
สเปกสินค้า (Specifications)
- แบรนด์: Leadshine
- รุ่น: 42CM04
- ประเภทมอเตอร์: 2-Phase Hybrid Stepper Motor
- ขนาดหน้าแปลน: NEMA 17
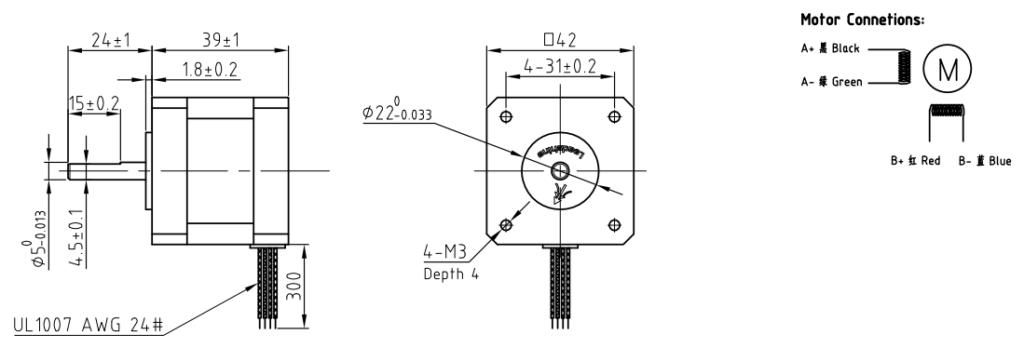
- ความยาวตัวมอเตอร์: 40 มม.
- แรงบิดยึด Holding Torque: 0.4 N.m
- กระแสต่อเฟส: 1.5 A
- ความต้านทานต่อเฟส: 2.3 Ω
- ค่าเหนี่ยวนำต่อเฟส: 4.3 mH
- เส้นผ่านศูนย์กลางเพลา: 5 มม.
- Center Diameter: 22 มม.
- ระดับการป้องกัน: IP40
- น้ำหนัก: 0.28 กก
การนำไปใช้งาน
- เหมาะสำหรับเครื่องพิมพ์ 3D
- เหมาะสำหรับเครื่อง CNC ขนาดเล็ก
- เหมาะสำหรับระบบเลื่อนสไลด์ โต๊ะปรับตำแหน่ง และชุดป้อนชิ้นงาน
- เหมาะสำหรับงานออโตเมชัน เครื่องแพ็กกิ้ง และอุปกรณ์ควบคุมการเคลื่อนที่ที่ต้องการความแม่นยำ
Dimension

| ความยาวตัวมอเตอร์ L (mm) | รุ่น | แรงบิดยึด (N·m) | กระแสพิกัด (A) | ความต้านทาน/เฟส (Ω) | ค่าเหนี่ยวนำ/เฟส (mH) | โมเมนต์ความเฉื่อย (g·cm²) |
|---|---|---|---|---|---|---|
| 33 | 42CM02-1A | 0.21 | 1.0 | 4.5 | 6.5 | 35 |
| 33 | 42CM02 | 0.21 | 1.5 | 1.4 | 1.4 | 35 |
| 40 | 42CM04-1A | 0.4 | 1.0 | 4.0 | 7.9 | 54 |
| 40 | 42CM04/04D | 0.4 | 1.5 | 2.3 | 4.3 | 54 |
| 47 | 42CM06-1A | 0.6 | 1.5 | 2.2 | 4.5 | 72 |
| 47 | 42CM06/06D | 0.6 | 2.5 | 0.9 | 1.6 | 72 |
| 60 | 42CM08-1A | 0.8 | 1.5 | 3.0 | 6.9 | 110 |
| 60 | 42CM08 | 0.8 | 2.5 | 1.0 | 2.4 | 110 |
หมายเหตุ: ข้อมูลรุ่นทางผู้ผลิตระบุความยาว 40 มม. แต่ในตลาดบางร้านอาจเรียกเป็น 39 มม. ซึ่งเป็นการเรียกแบบปัดค่าขนาดตัวมอเตอร์

ในชุดประกอบด้วย
- สเต็ปเปอร์มอเตอร์ Leadshine รุ่น 42CM04 จำนวน 1 ตัว





รีวิว
ยังไม่มีบทวิจารณ์