คำอธิบาย
มอเตอร์อินดักชั่นแบบปรับรอบได้ กำลัง 6W ระบบไฟ 1 เฟส เหมาะสำหรับงานเครื่องจักรขนาดเล็ก–กลางที่ต้องการควบคุมความเร็วรอบอย่างต่อเนื่อง ใช้งานร่วมกับสปีดคอนโทรลเลอร์ ZD ให้การหมุนเรียบ เสถียร และทนทานต่อการใช้งานต่อเนื่อง
คุณสมบัติเด่น
- กำลัง 6W แรงบิดเหมาะกับงานโหลดทั่วไป
- ใช้ไฟ 1 Phase ติดตั้งง่าย
- Speed regulation/control ปรับรอบได้ผ่านชุดควบคุม ZD
- รองรับการทำงานต่อเนื่องในงานอุตสาหกรรม
สเปกสินค้า (Specifications)
- รุ่นมอเตอร์: 2IK6RGN-C
- กำลังไฟ: 6W
- แรงดันไฟฟ้า: 220VAC (1 Phase)
- ความถี่: 50/60Hz
- ที่ความถี่ 50Hz ปรับความเร็วได้ตั้งแต่ 90 ~ 1,200 รอบต่อนาที (RPM)
- ประเภทมอเตอร์: Induction Motor
- การควบคุมความเร็ว: ใช้งานร่วมกับ Speed Controller ZD
- ลักษณะเพลา: เพลากลมมาตรฐาน
- ทิศทางหมุน: เดินหน้า / ถอยหลัง (ขึ้นอยู่กับการต่อสาย)
ในชุดประกอบด้วย
- MTACZD-006G อินดักชั่นมอเตอร์ 90W รุ่น 5IK6RGN-C + หัวเกียร์ Gearhead 2GN
- –
Datasheet
- https://drive.google.com/file/d/1fDSNfsIlRyY9ZAIOqaqgjcDR77Me1IQq/view?usp=sharing
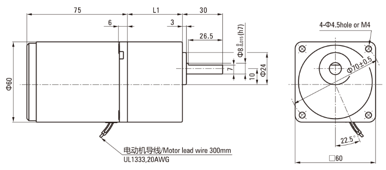
Dimension mm

MXACZD-000 กล่องปรับความเร็วมอเตอร์ ZD AC Motor Reversible Speed Control Unit USX000
Table Compare
| รายการเปรียบเทียบ | 2RK6GN-C | 2RK6RGN-C |
|---|---|---|
| กำลังไฟ | 6W | 6W |
| ประเภทมอเตอร์ | AC Reversible | AC Reversible |
| ระบบควบคุมความเร็ว | ความเร็วคงที่ | ✅ ปรับความเร็วได้ |
| การต่อใช้งาน | ต่อ C ใช้งาน (ตามรอบมาตรฐาน) | ต้องใช้ Speed Controller |
| ช่วงความเร็ว | คงที่ตามความถี่ไฟ 50/60Hz | ปรับได้ (เช่น ~90–1400 rpm ขึ้นกับชุดควบคุม) |
| ความยืดหยุ่นในการใช้งาน | ต่ำ | สูง |





รีวิว
ยังไม่มีบทวิจารณ์