คำอธิบาย
โมดูลวัดสภาพอากาศแบบรวมฟังก์ชัน เซ็นเซอร์วัดความเร็วลม, Wind Speed Sensor, Anemometer YGC-WSM Mini All-in-One Weather Monitor RS485

คุณสมบัติหลัก ( ทำอะไรได้บ้าง ) Parameters Measured / พารามิเตอร์ที่ตรวจวัดได้:
- เซ็นเซอร์วัดความเร็วลม Wind Speed Sensor (ความเร็วลม)
0–45 m/s (เมตรต่อวินาที) - Wind Direction Sensor (ทิศทางลม)
0–359° (องศา) - Air Temperature Sensor (อุณหภูมิอากาศ)
−40 to 80°C (องศาเซลเซียส) - Relative Humidity Sensor (ความชื้นสัมพัทธ์)
0–100% RH - Atmospheric Pressure Sensor (ความกดอากาศ)
300–1100 hPa (เฮกโตปาสคาล)
การเชื่อมต่อ: ใช้ MODBUS-RTU ผ่าน RS485
- ค่ามาตรฐานจากโรงงาน
- Baud Rate: 9600
- Address: 1
- Format: 8 Data Bits, 1 Stop Bit, No Parity
- ต้องเว้นช่องว่างระหว่างข้อมูลอย่างน้อย 500 ms
MODBUS Register
0x0000= ความเร็วลม0x0001= ทิศทางลม0x0002= อุณหภูมิ0x0003= ความชื้น0x0004= ความกดอากาศ
ตัวอย่างคำสั่งอ่านค่าจากเซ็นเซอร์
- ส่งคำสั่งนี้:
01 03 00 00 00 05 85 C9 - ได้ค่ากลับแบบนี้:
01 03 0A 00 1D 00 AB 01 30 02 26 27 12 91 77
แปลเป็นค่าจริง:
- ความเร็วลม:
0x001D= 29 → 2.9 m/s - ทิศทางลม:
0x00AB= 171° - อุณหภูมิ:
0x0130= 304 → 30.4°C - ความชื้น:
0x0226= 55.0% RH - ความกดอากาศ:
0x2712= 1000.2 hPa
Wiring Diagram
- Red — Positive Power Supply (VCC)
- Green — Negative Power Supply (GND)
- Black — 485A+ / 232_T / TXD
- Yellow — 485B- / 232_R / RXD
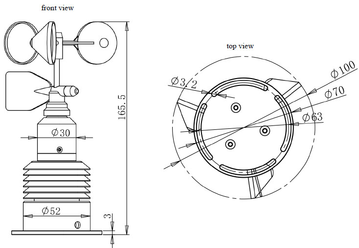
Mounting Dimensions
Unit: (mm)

Datasheet User Manual





รีวิว
ยังไม่มีบทวิจารณ์