คำอธิบาย
ตลับลูกปืนแบริ่ง แนวตั้ง ตลับลูกปืนยูนิต (Pillow Block Bearing) รุ่น KP08 ซึ่งเป็นรุ่นยอดนิยมสำหรับงานที่ต้องการการติดตั้งง่าย มีความมั่นคง และใช้งานกับเพลาขนาด 8 มิลลิเมตร
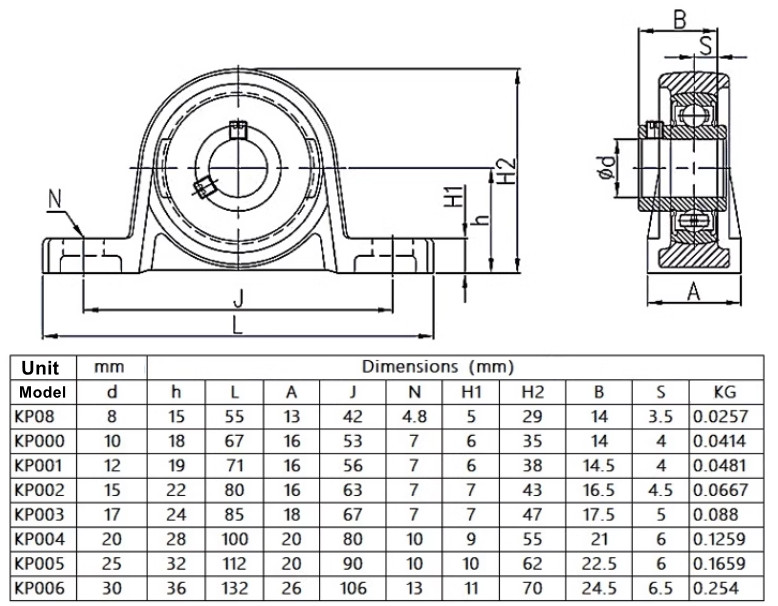
- KP08
- Flanged Ball Bearing Units KP08-D8mm
- รขนาดรูเพลา: 8 mm
- ชนิดแบริ่ง: แบริ่งแบบหมุนได้ในตัว (Insert Bearing)
- วัสดุ: อลูมิเนียมหรือซิงก์อัลลอย
ลักษณะเด่น:
- มีสกรูล็อคเพลา (Grub Screw) 2 ตัว
- ติดตั้งง่ายกับฐานหรือแผ่นเรียบด้วยน็อต
เหมาะกับงานเครื่องกล, CNC, เครื่องพิมพ์ 3D, ระบบสายพาน ฯลฯ ใช้งานร่วมกับ:เพลาแบบกลมหรือเพลาสแตนเลสLinear motion systems ชุดขับเคลื่อนแบบหมุนหรือเลื่อน
Dimension

เส้นผ่านศูนย์กลางรูเพลา (d) 8 mm
ระยะห่างรูยึดแนวนอน (L) 64 mm
ความยาวฐาน (A) 18 mm
ความสูงจากฐานถึงกึ่งกลางรูเพลา (H) 30 mm
ความสูงรวม (H1) 40 mm
เส้นผ่านศูนย์กลางรูยึดน็อต (J) 6 mm
ความหนาฐาน (T) 10 mm





รีวิว
ยังไม่มีบทวิจารณ์