คำอธิบาย
มอเตอร์บัสเลส Nema17 42mm BLDC Motor DC24V/60W
Motor Specification
- Rated Voltage DC 24V
- Power 60 W
- Rated Speed 4000 RPM
- 8 pole
- 120 Degree 3 Phase
- Rated Torque 0.2 Nm
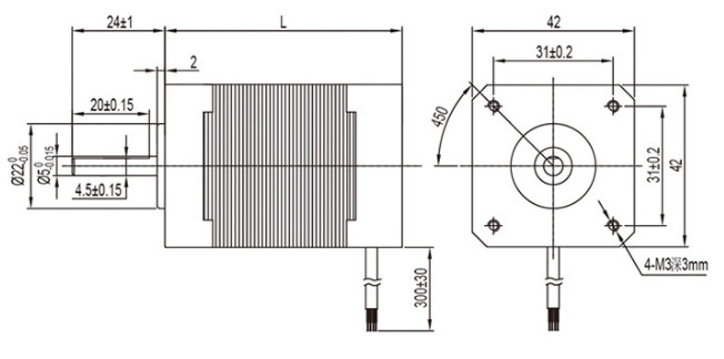
Dimension
- L = 60mm
- เพลา Shaft 5mm

Motor Wiring Hall Sensor Wiring

Wiring สายของมอเตอร์ BLDC แบบมี Hall Sensor 8 เส้น
1. สายไฟกำลังของมอเตอร์ (สาย 20AWG ใช้ขับขดลวด U, V, W)
- U = สาย แดง
- V = สาย ดำ
- W = สาย เหลือง
2. สายสัญญาณ Hall Sensor (สาย 26AWG ใช้ตรวจจับตำแหน่งโรเตอร์)
- HU = สาย น้ำเงิน
- HV = สาย เขียว
- HW = สาย ขาว
3. สายไฟเลี้ยง Hall Sensor (สาย 26AWG ใช้จ่ายไฟให้กับ Hall Sensor)
- VCC (+5V ขึ้นกับสเปค Hall Sensor) = สาย แดงเล็ก
- GND = สาย ดำเล็ก
ในชุดประกอบด้วย
- 1pcs x มอเตอร์บัสเลส Nema17 BLDC Motor DC24V/60W






รีวิว
ยังไม่มีบทวิจารณ์