คำอธิบาย
BLDC Motor Driver ไดร์เวอร์ BLDC มอเตอร์ไฟฟ้ากระแสตรงไร้แปรงถ่าน BLD405E คือไดรเวอร์สำหรับมอเตอร์ Brushless DC (BLDC Motor) โดยรองรับแรงดันไฟฟ้า DC24–48V, กระแสสูงสุด 5A, กำลังไฟ สูงสุด 120W ซึ่งเหมาะสำหรับการควบคุมมอเตอร์ BLDC แบบมี Hall Sensor
- Power Supply DC24-48V
- Rated Current 5A
- Rated Power 120 Watts
- สำหรับมอเตอร์ BLDC 3 Phase
Indicator light
- Power Green power indicator light, powered on, indicating that the power supply is normal
- Alarm Red status indicator light, Slow flashing waiting, fast flashing operation, and changes with motor speed; always on for failure or offline
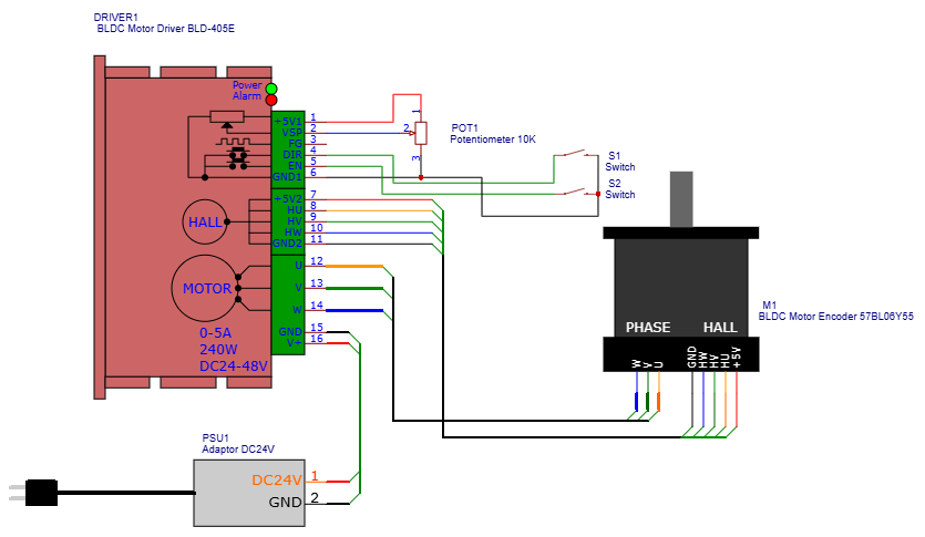
ขั้วควบคุมสัญญาณ (Control Signal Terminal Overview)
| ขั้วสัญญาณ | ประเภท | คำอธิบาย |
|---|---|---|
| +5V1 | Power Out | แหล่งจ่ายแรงดัน +5VDC สำหรับใช้กับวงจรควบคุมภายนอก เช่น VR, Potentiometer |
| VSP | Analog In | อินพุตควบคุมความเร็วแบบแอนะล็อก (0~5V) สามารถต่อ Potentiometer หรือ DAC ได้เพื่อควบคุมรอบมอเตอร์ (0–100%) |
| FG | Frequency Out | เอาต์พุตพัลส์ความเร็วของมอเตอร์ (ใช้วัดความเร็วรอบ) โดยการวัดความถี่ (Hz) แล้วแปลงเป็นความเร็วจริง |
| DIR | Digital In | กำหนดทิศทางการหมุน: – GND1 = Reverse – ไม่ต่อ หรือ +5V1 = Forward |
| EN | Digital In | เปิดใช้งานไดรเวอร์: – GND1 = ทำงาน (Online) – ไม่ต่อ หรือ +5V1 = หยุดทำงาน (Offline) ไฟ LED สีแดงจะติดค้าง |
| GND1 | GND | ขั้วกราวด์สำหรับสัญญาณควบคุม |
หมายเหตุทางเทคนิค
- VSP = 0V → ความเร็ว 0%
- VSP = 5V → ความเร็ว 100%
- FG: จำนวนพัลส์ต่อรอบ (PPR) ขึ้นอยู่กับมอเตอร์ ใช้สูตรคำนวณ RPM = (Frequency × 60) / PPR
- ต้องระวังการจ่ายไฟย้อนกลับมายัง +5V1 ถ้าใช้อุปกรณ์ควบคุมภายนอก
Hall signal terminal
- +5V2 Motor hall power supply +
- HU Hall sensor signal U-phase
- HV Hall sensor signal V-phase
- HW Hall sensor signal W-phase
- GND2 Motor hall power supply –
Motor and power supply
- U, V, W motor three-phase output signal
- GND
- +V DC power supply input.(DC24-48V)
Wiring

Dimension

ในชุดประกอบด้วย
- ไดรเวอร์ มอเตอร์ มอเตอร์บัสเลส ดีซี BLDC Motor Driver BLD-405E




