คำอธิบาย
BLDC Motor Driver ไดร์เวอร์ BLDC มอเตอร์ไฟฟ้ากระแสตรงไร้แปรงถ่าน
- Power supply DC24-48V
- Rated Current 10A
- Rated Power 480W
- สำหรับมอเตอร์ BLDC 3 Phase
Indicator light
- Power Green power indicator light, powered on, indicating that the power supply is normal
- Alarm Red status indicator light, slow flashing waiting, fast flashing operation, and changes with motor speed; always on for failure or offline
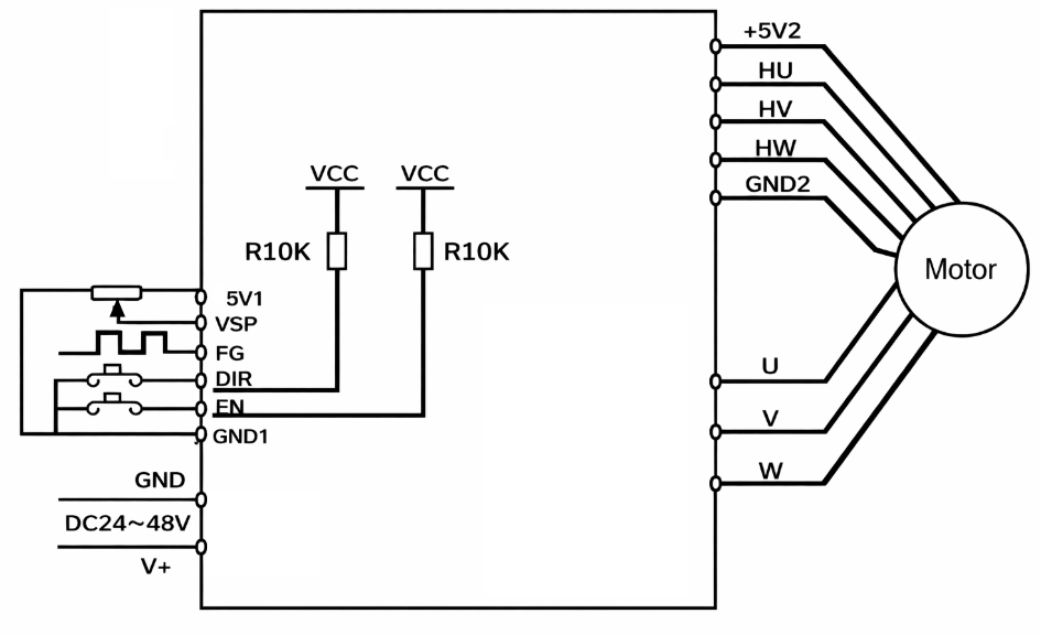
Control signal terminal
- +5V1 Control signal, Power supply +
- VSP (Analog Control Input) External speed control signal, through an external potentiometer, etc. to achieve 0~100% motor speed adjustment
- FG (Frequency Output) The motor speed pulse output can be measured by measuring the frequency of this signal and then converted into the actual speed of the motor สามารถวัดเอาท์พุตพัลส์ความเร็วมอเตอร์ได้โดยการวัดความถี่ของสัญญาณ FG จากนั้นแปลงเป็นความเร็วจริงของมอเตอร์
- External speed control signal, through an external potentiometer, etc. to achieve 0~100% motor speed adjustment
- DIR High and Low level control motor forward and reverse,
- – DIR connected to GND1 motor reverse
- + DIR Not connected or connected to +5V1 motor forward
- EN The motor is enabled to control,
- EN connected to GND1, the motor is turned (online state),
- EN not connected or high, the motor turned (offline state, the red light in this state is always on)
- GND1 Control signal power supply –
Hall signal terminal
- +5V2 Motor hall power supply +
- HU Hall sensor signal U-phase
- HV Hall sensor signal V-phase
- HW Hall sensor signal W-phase
- GND2 Motor hall power supply –

Motor and power supply terminal
- U, V, W motor 3-phase
- GND
- +VDC power supply input (DC24-48V)
Dimension

ในชุดประกอบด้วย
- ไดรเวอร์ มอเตอร์ มอเตอร์บัสเลส ดีซี BLDC Motor Driver BLD-510A






รีวิว
ยังไม่มีบทวิจารณ์