GMPY00AF เกียร์มอเตอร์ AFTER Planetary Reducer 60mm Servo Motor Gearbox 60PYE/60PYF

คำอธิบาย

เกียร์มอเตอร์ Planetary Reducer Servo Motor Gearbox 60mm Experience the refined performance and reliability of the PY series — precision you can count on. PY Series Gearboxes The PY series is an optimized line derived from the AT series. These products offer enhanced precision:

  • 1-Stage gear ratio ensures positioning accuracy within 7 arc minutes
  • 2-Stage gear ratio maintains accuracy within 9 arc minutes

คุณสมบัติสินค้า

  • หน้าแปลนผลิตจากอะลูมิเนียมอัลลอยด์ ให้ความแข็งแรงสูงพร้อมน้ำหนักเบา ช่วยลดน้ำหนักรวมของเครื่องจักร
  • เฟืองเกียร์ผ่านกระบวนการไนไตรดิ้ง (Nitriding) และอบชุบแข็ง ทำให้มีความแม่นยำสูง ทนแรงบิดได้มาก อายุการใช้งานยาวนาน เดินเงียบ เสียงรบกวนต่ำ
  • แบริ่งแท้ FAG ภายในใช้จาระบีคุณภาพสูง ไม่ต้องบำรุงรักษาตลอดอายุการใช้งาน (Maintenance-Free)
  • ขนาดกะทัดรัดกว่ารุ่นทั่วไปมากกว่า 10 มม. เหมาะสำหรับเครื่องจักรที่มีพื้นที่จำกัด ช่วยให้การออกแบบระบบมีความยืดหยุ่นมากยิ่งขึ้น
  • เกียร์ทดรอบแบบดาวเคราะห์ความแม่นยำสูง รองรับมอเตอร์ มาตรฐานหน้าแปลน 60mm สำหรับเซอร์โวมอเตอร์ 400W เช่น Delta

อัตราทดระดับที่ 1

  • อัตราทด : 1:3, 1:4, 1:5, 1:8, 1:10

อัตราทดระดับที่ 2

  • อัตราทด : 1:15, 1:20, 1:25, 1:32, 1:40, 1:64

 อัตราทดระดับที่ 3

  • อัตราทด : 1:60, 1:80, 1:100, 1:120, 1:160, 1:200, 1:256, 1:320, 1:512

ขนาดเกียร์บ็อกซ์ (Gearbox Outline Dimension)

  • 40: สำหรับมอเตอร์เส้นผ่านศูนย์กลาง Φ40 mm
  • 60: สำหรับมอเตอร์เส้นผ่านศูนย์กลาง Φ60 mm
  • 80: สำหรับมอเตอร์เส้นผ่านศูนย์กลาง Φ80 mm
  • 120: สำหรับมอเตอร์เส้นผ่านศูนย์กลาง Φ120 mm
  • 160: สำหรับมอเตอร์เส้นผ่านศูนย์กลาง Φ160 mm

 รูปแบบเกียร์ทดรอบ (Gearbox Type)

  • 60PYE: Round Flange หน้าแปลนกลม, ส่งออกตรง
  • 60PYF: Square Flange หน้าแปลนสี่เหลี่ยม, ส่งออกตรง
  • 60WPYE: Round Flange หน้าแปลนกลม, ส่งออกแบบมุมฉาก 90
  • 60WPYF: Square Flange หน้าแปลนสี่เหลี่ยม, ส่งออกแบบมุมฉาก 90

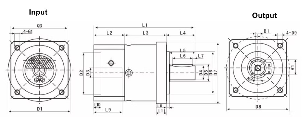
60PYE Round Flange

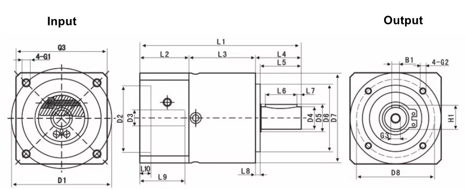
60PYF Square Flange

รีวิว

ยังไม่มีบทวิจารณ์

เฉพาะลูกค้าที่เข้าสู่ระบบ และเคยซื้อสินค้าชิ้นนี้แล้วเท่านั้น ที่เขียนบทวิจารณ์ได้