คำอธิบาย
PX Gearbox เกียร์ทดรอบซีรีส์ PX60 สำหรับงานเซอร์โวมอเตอร์ AC Servo Motor 400W ขนาดกะทัดรัด หน้าแปลน 60 mm. ช่วยเพิ่มแรงบิด เดินเรียบ ติดตั้งง่าย เหมาะกับงานออโตเมชันและงานควบคุมตำแหน่งที่ต้องการความแม่นยำ
คุณสมบัติเด่น
- รับโหลดพิกัด 40 N.m และโหลดสูงสุด 50 N.m
- ประสิทธิภาพประมาณ 85%
- ค่า Backlash ไม่เกิน 50 arcmin
- รองรับความเร็วอินพุตสูงสุดไม่เกิน 3000 RPM
- มาตรฐานป้องกัน IP65
- เสียงรบกวนไม่เกิน 60 dB
- อายุการใช้งานประมาณ 20,000 ชั่วโมง
- หล่อลื่นด้วยจาระบีแบบใช้งานระยะยาว
- ติดตั้งแบบหน้าแปลน
สเปกสินค้า (Specifications)
- ซีรีส์: PX60 Servo Series
- ประเภท: Planetary Gearbox สำหรับเซอร์โวมอเตอร์
- ขนาดหน้าแปลน: 60 x 60 mm.
ระดับเกียร์
- อัตราทด:
การนำไปใช้งาน
- เหมาะสำหรับเครื่องจักรอัตโนมัติ ระบบคอนเวเยอร์ แขนกล เครื่องแพ็กกิ้ง เครื่องตัด ระบบขับเคลื่อนที่ต้องการควบคุมตำแหน่งแม่นยำ และงานที่ต้องการเพิ่มแรงบิดจากเซอร์โวมอเตอร์ในพื้นที่ติดตั้งจำกัด
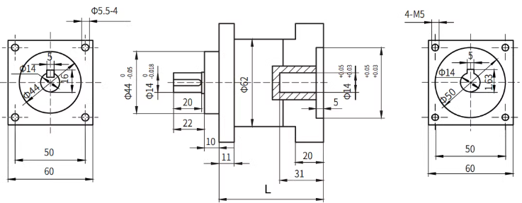
Dimension
ในชุดประกอบด้วย
- เกียร์ทดรอบดาวเคราะห์ PX60 สำหรับเซอร์โวมอเตอร์ 1 ชุด




รีวิว
ยังไม่มีบทวิจารณ์